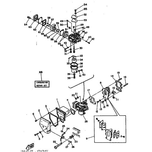
Artikelname: SCREW (SCREW, PAN HEAD)
Hersteller: Yamaha
OEM Nummer: 97890-05030 (9789005030)
Kategorien: Einlass
1986
15D
9.9D
1985
9.9D
15D
Yamaha Motor Co., Ltd.
YAMAHA MOTOR EUROPE N.V.
Hansemannstraße 12, 41468 Neuss
Postfach 21 06 53, 41432 Neuss
Deutschland
https://global.yamaha-motor.com/
https://www.yamaha-motor.eu/de