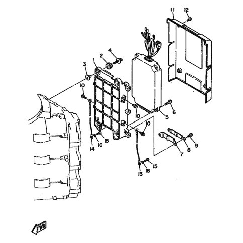
Artikelname: SCHRAUBE, MIT SCHEIBE (SCREW, WITH WASHER)
Hersteller: Yamaha
OEM Nummer: 97986-06220 (9798606220)
Kategorien: Elektrik 1
1993
L250AET
250AET
1992
250AETO
L250AETO
1991
250AETO
L250AETO
1990
250ETD
L250AETO
Yamaha Motor Co., Ltd.
YAMAHA MOTOR EUROPE N.V.
Hansemannstraße 12, 41468 Neuss
Postfach 21 06 53, 41432 Neuss
Deutschland
https://global.yamaha-motor.com/
https://www.yamaha-motor.eu/de