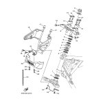
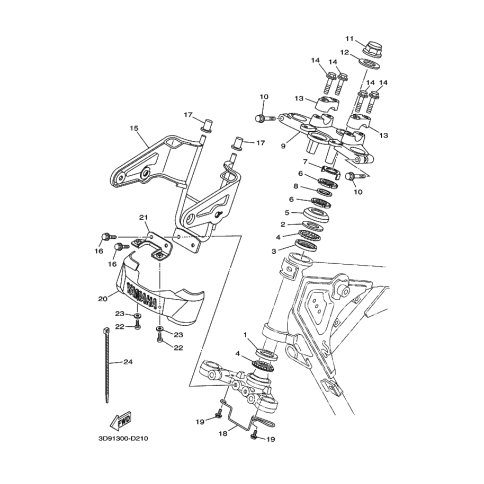
Artikelname: SCREW, PAN HEAD
Hersteller: Yamaha
OEM Nummer: 9851N-05016 (9851N05016)
Kategorien: Lenkung
2006
YBR125 (YBR125ED)
2005
YBR125 (YBR125ED)
Yamaha Motor Co., Ltd.
YAMAHA MOTOR EUROPE N.V.
Hansemannstraße 12, 41468 Neuss
Postfach 21 06 53, 41432 Neuss
Deutschland
https://global.yamaha-motor.com/
https://www.yamaha-motor.eu/de