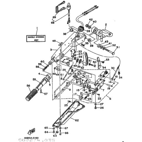
Artikelname: SENKSCHRAUBE (VIS, TETE PLATE)
Hersteller: Yamaha
OEM Nummer: 98780-05014 (9878005014)
Kategorien: Allgemein, Lenkung
2010
ONE TOUCH START/STOP
COMMAND LINK PLUS
RIGGING REMOCON-2010
2009
RIGGING REMOCON
RIGGING PARTS (601R)
DBW REMO-CON
2008
RIGGING REMOCON
DBW REMO-CON
1999
40VMH
1998
50H
40V
40VETO
1997
40VMHD
50H
50HMHD
FT50B
40V
50HEMHDO
F50A
40VEO
1996
50H
40VE
50HRDO
F50A
C40T
40V
FT50B
1995
40V
50H
C40T
1994
SJ700
1993
SJ650
1992
SJ650
1990
SJ650S
Yamaha Motor Co., Ltd.
YAMAHA MOTOR EUROPE N.V.
Hansemannstraße 12, 41468 Neuss
Postfach 21 06 53, 41432 Neuss
Deutschland
https://global.yamaha-motor.com/
https://www.yamaha-motor.eu/de