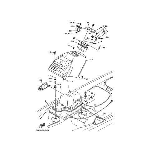
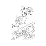
Artikelname: YBS53-520 SCREW,FLAT HEAD (SCREW, FLAT HEAD)
Hersteller: Yamaha
OEM Nummer: 98780-05520 (9878005520)
Kategorien: Allgemein
1998
800GP
Yamaha Motor Co., Ltd.
YAMAHA MOTOR EUROPE N.V.
Hansemannstraße 12, 41468 Neuss
Postfach 21 06 53, 41432 Neuss
Deutschland
https://global.yamaha-motor.com/
https://www.yamaha-motor.eu/de