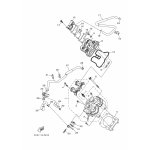
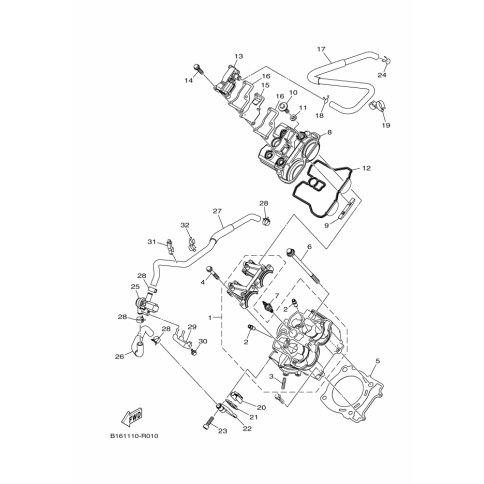
Artikelname: ROHR, BELUFTUNG 1 (PIPE, BREATHER 1)
Hersteller: Yamaha
OEM Nummer: B16-E1166-00 (B16E116600)
Kategorien: Zylinderkopf
2018
GRIZZLY 700 EPS (YFM700FWAD)
KODIAK 700 (YFM700FWB)
KODIAK 700 EPS (YFM700FWBD)
2017
KODIAK 700 (YFM700FWB)
GRIZZLY 700 EPS (YFM700FWAD)
KODIAK 700 EPS (YFM700FWBD)
2016
GRIZZLY 700 EPS (YFM700FWAD)
KODIAK 700 EPS (YFM700FWBD)
KODIAK 700 (YFM700FWB)
GRIZZLY 700 4WD (YFM700FWA)
Yamaha Motor Co., Ltd.
YAMAHA MOTOR EUROPE N.V.
Hansemannstraße 12, 41468 Neuss
Postfach 21 06 53, 41432 Neuss
Deutschland
https://global.yamaha-motor.com/
https://www.yamaha-motor.eu/de