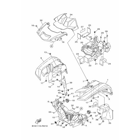
Artikelname: VORDERRAD-KOTFLUGEL KOMPL (FRONT FENDER ASSY)
Hersteller: Yamaha
OEM Nummer: B16-F1500-L0 (B16F1500L0)
Kategorien: Kotflügel
2019
KODIAK 700 EPS (YFM700FWBD)
2018
KODIAK 700 EPS (YFM700FWBD)
Yamaha Motor Co., Ltd.
YAMAHA MOTOR EUROPE N.V.
Hansemannstraße 12, 41468 Neuss
Postfach 21 06 53, 41432 Neuss
Deutschland
https://global.yamaha-motor.com/
https://www.yamaha-motor.eu/de