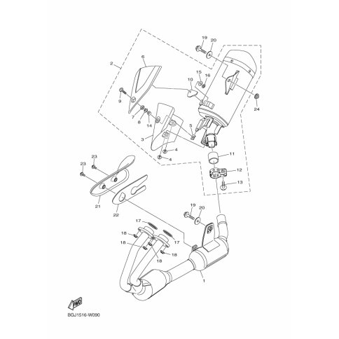
Artikelname: PROTECTOR, EXHAUST PIPE
Hersteller: Yamaha
OEM Nummer: B1X-E4628-00 (B1XE46280000)
Kategorien: Auspuff
2023
YZF-R3 (YZF320-A)
2022
MT-03 (MTN320-A)
YZF-R3 (YZF320-A)
Yamaha Motor Co., Ltd.
YAMAHA MOTOR EUROPE N.V.
Hansemannstraße 12, 41468 Neuss
Postfach 21 06 53, 41432 Neuss
Deutschland
https://global.yamaha-motor.com/
https://www.yamaha-motor.eu/de