Artikelname: TANK SEITENVERKLEIDUNG (TANK SIDE COVER ASSY 2)
Hersteller: Yamaha
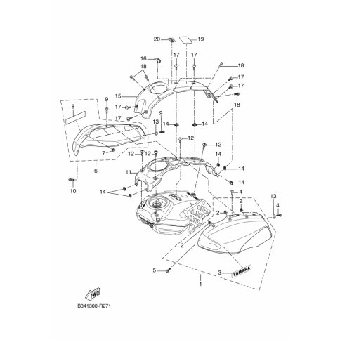
OEM Nummer: B34-YF418-10-01 (B34YF4181001)
Kategorien: Tank 2
2017
XSR700 (MTM690-U)
XSR700 (MTM690)
2016
XSR700 (XSR700)
XSR700 (MTM690-U)
Yamaha Motor Co., Ltd.
YAMAHA MOTOR EUROPE N.V.
Hansemannstraße 12, 41468 Neuss
Postfach 21 06 53, 41432 Neuss
Deutschland
https://global.yamaha-motor.com/
https://www.yamaha-motor.eu/de