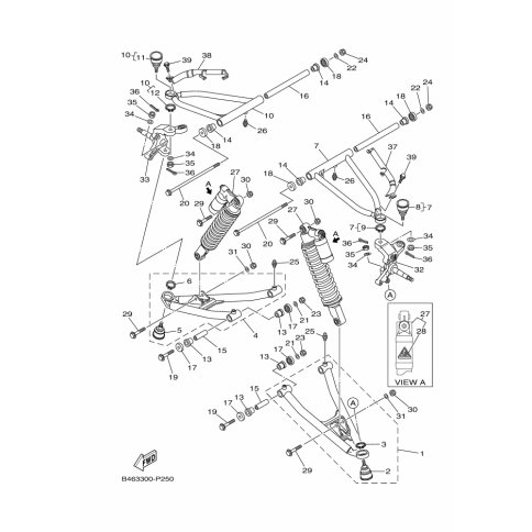
Artikelname: STOSSDAMPFER (SHOCK ABSORBER ASSY 2)
Hersteller: Yamaha
OEM Nummer: B46-F3390-20 (B46F339020)
Kategorien: Federung & Rad
2017
YFM700R (YFM700R)
2016
YFM700R (YFM700R)
2015
YFM700R (YFM700R)
Yamaha Motor Co., Ltd.
YAMAHA MOTOR EUROPE N.V.
Hansemannstraße 12, 41468 Neuss
Postfach 21 06 53, 41432 Neuss
Deutschland
https://global.yamaha-motor.com/
https://www.yamaha-motor.eu/de