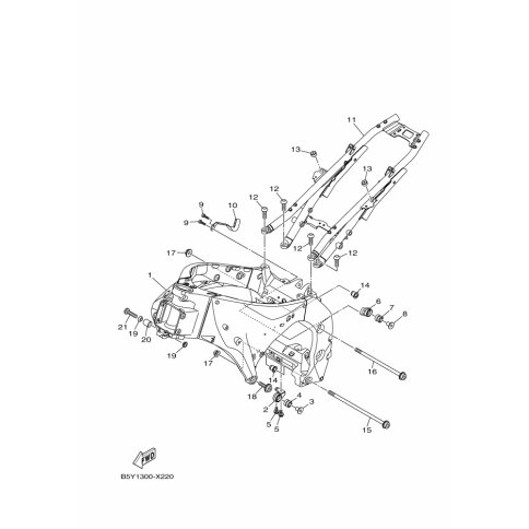
Artikelname: RAHMEN KOMPL (FRAME COMP)
Information: MDNM9
Hersteller: Yamaha
OEM Nummer: B67-21110-20 (B67211102000)
Kategorien: Rahmen
2022
MT-10 SP (MTN1000D)
MT-10 (MTN1000)
Yamaha Motor Co., Ltd.
YAMAHA MOTOR EUROPE N.V.
Hansemannstraße 12, 41468 Neuss
Postfach 21 06 53, 41432 Neuss
Deutschland
https://global.yamaha-motor.com/
https://www.yamaha-motor.eu/de