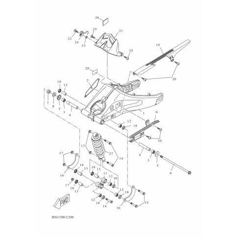
Artikelname: STOSSDAMPFEREINHEIT, HINTEN (SHOCK ABSORBER ASSY, REAR)
Hersteller: Yamaha
OEM Nummer: B6G-F2210-00 (B6GF221000)
Kategorien: Heck & Federung
2022
MTN125-A
MT125 (MTN125-A)
2021
MT-125 (MTN125-A)
2020
MT-125 (MTN125-A)
Yamaha Motor Co., Ltd.
YAMAHA MOTOR EUROPE N.V.
Hansemannstraße 12, 41468 Neuss
Postfach 21 06 53, 41432 Neuss
Deutschland
https://global.yamaha-motor.com/
https://www.yamaha-motor.eu/de