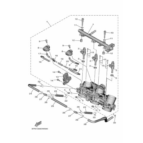
Artikelname: SCHLAUCH, UNTERDRUCKSENSOR (HOSE, VACUUM SENSING 1)
Hersteller: Yamaha
OEM Nummer: B7N-13542-00 (B7N135420000)
Kategorien: Einlass
2023
XSR900 (MTM890-U)
TRACER 9 (MTT890)
TRACER 9 GT (MTT890D)
NIKEN GT (MXT890D)
2022
MT-09 (MTN890-U)
MT-09 (MTN890)
XSR900 (MTM890)
MT-09 (MTN890D-U)
MT-09 SP (MTN890D)
2021
MT-09 (MTN890)
TRACER 9 (MTT890)
MT-09 SP (MTN890D)
Yamaha Motor Co., Ltd.
YAMAHA MOTOR EUROPE N.V.
Hansemannstraße 12, 41468 Neuss
Postfach 21 06 53, 41432 Neuss
Deutschland
https://global.yamaha-motor.com/
https://www.yamaha-motor.eu/de