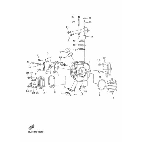
Artikelname: SCHRAUBE (BOLT)
Hersteller: Yamaha
OEM Nummer: BD3-E2615-00 (BD3E261500)
Kategorien: Zylinderkopf
2016
YFM90R (YFM90R)
Yamaha Motor Co., Ltd.
YAMAHA MOTOR EUROPE N.V.
Hansemannstraße 12, 41468 Neuss
Postfach 21 06 53, 41432 Neuss
Deutschland
https://global.yamaha-motor.com/
https://www.yamaha-motor.eu/de