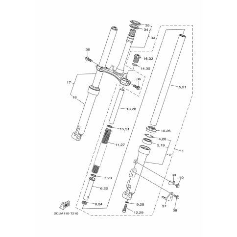
Artikelname: STAUBDICHTUNG (SEAL, DUST)
Hersteller: Yamaha
OEM Nummer: BE8-F3144-00 (BE8F314400)
Kategorien: Gabel
2023
TT-R50E (TT-R50E)
2022
TT-R50E (TT-R50E)
2021
TT-R50E (TT-R50E)
2020
TT-R50E (TT-R50E)
2019
TT-R50E (TT-R50E)
2018
TT-R50E (TT-R50E)
2017
PW50
Yamaha Motor Co., Ltd.
YAMAHA MOTOR EUROPE N.V.
Hansemannstraße 12, 41468 Neuss
Postfach 21 06 53, 41432 Neuss
Deutschland
https://global.yamaha-motor.com/
https://www.yamaha-motor.eu/de