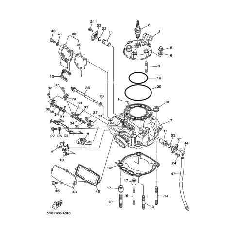
Artikelname: VENTIL (VALVE ASSY)
Hersteller: Yamaha
OEM Nummer: BF1-1131D-00 (BF11131D00)
Kategorien: Zylinderkopf
2016
YZ250X (YZ250X)
Yamaha Motor Co., Ltd.
YAMAHA MOTOR EUROPE N.V.
Hansemannstraße 12, 41468 Neuss
Postfach 21 06 53, 41432 Neuss
Deutschland
https://global.yamaha-motor.com/
https://www.yamaha-motor.eu/de