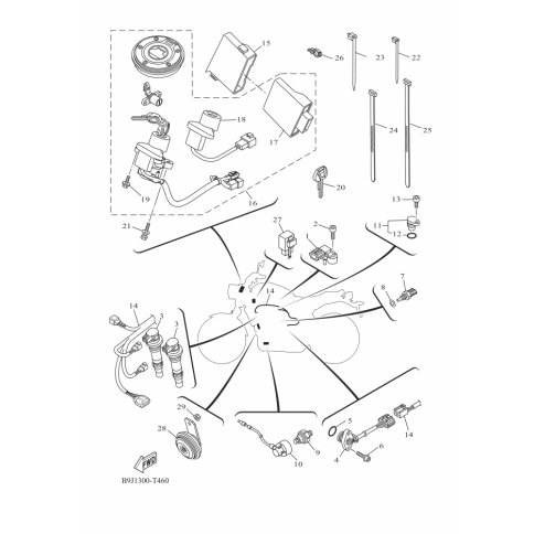
Artikelname: REGELEINHEIT (ENGINE CONTROL UNIT ASSY)
Hersteller: Yamaha
OEM Nummer: BJV-8591A-30 (BJV8591A3000)
Kategorien: Elektrik 2
2022
XSR700 (MTM690D-U)
2021
XSR700 (MTM690D-U)
Yamaha Motor Co., Ltd.
YAMAHA MOTOR EUROPE N.V.
Hansemannstraße 12, 41468 Neuss
Postfach 21 06 53, 41432 Neuss
Deutschland
https://global.yamaha-motor.com/
https://www.yamaha-motor.eu/de