Artikelname: RUCKHOLFEDER
Hersteller: Yamaha
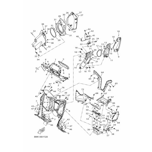
OEM Nummer: BKA-F7456-00 (BKAF74560000)
Kategorien: VERKLEIDUNG
Yamaha Motor Co., Ltd.
YAMAHA MOTOR EUROPE N.V.
Hansemannstraße 12, 41468 Neuss
Postfach 21 06 53, 41432 Neuss
Deutschland
https://global.yamaha-motor.com/
https://www.yamaha-motor.eu/de