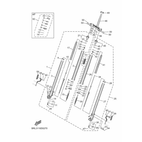
Artikelname: UNTERE KONSOLE KOMPL.
Hersteller: Yamaha
OEM Nummer: BRL-F3340-00 (BRLF33400000)
Kategorien: VORDERE GABEL
Yamaha Motor Co., Ltd.
YAMAHA MOTOR EUROPE N.V.
Hansemannstraße 12, 41468 Neuss
Postfach 21 06 53, 41432 Neuss
Deutschland
https://global.yamaha-motor.com/
https://www.yamaha-motor.eu/de