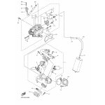
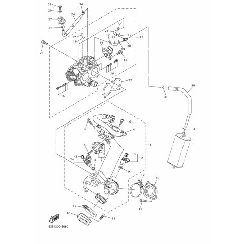
Artikelname: ROHR (PIPE)
Hersteller: Yamaha
OEM Nummer: BS5-14465-00 (BS51446500)
Kategorien: Einlass
2017
XV950R ABS (XVS950CUD-A)
SCR950 (XVS950XR-A)
Yamaha Motor Co., Ltd.
YAMAHA MOTOR EUROPE N.V.
Hansemannstraße 12, 41468 Neuss
Postfach 21 06 53, 41432 Neuss
Deutschland
https://global.yamaha-motor.com/
https://www.yamaha-motor.eu/de