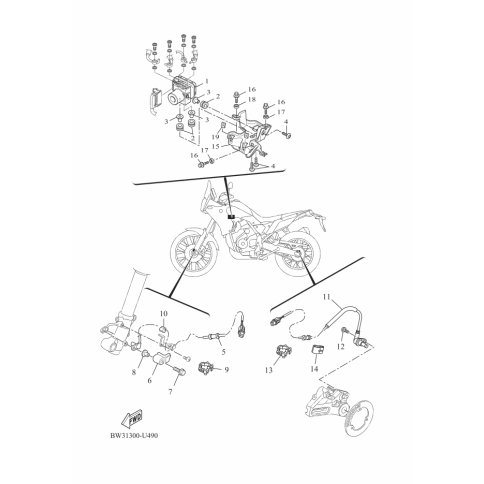
Artikelname: WHEEL SENSOR ASSY, FRONT
Hersteller: Yamaha
OEM Nummer: BW3-H5970-01 (BW3H597001)
Kategorien: Elektrik 3
2020
TENERE 700 (XTZ690)
TENERE 700 (XTZ690-U)
TENERE 700 (XTZ690D-B)
Yamaha Motor Co., Ltd.
YAMAHA MOTOR EUROPE N.V.
Hansemannstraße 12, 41468 Neuss
Postfach 21 06 53, 41432 Neuss
Deutschland
https://global.yamaha-motor.com/
https://www.yamaha-motor.eu/de