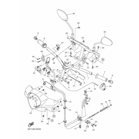
Artikelname: RUCKBLICKSPIEGEL KOMPL(RECHTS)
Hersteller: Yamaha
OEM Nummer: BW5-F6290-40 (BW5F62904000)
Kategorien: LENKER & KABEL
Yamaha Motor Co., Ltd.
YAMAHA MOTOR EUROPE N.V.
Hansemannstraße 12, 41468 Neuss
Postfach 21 06 53, 41432 Neuss
Deutschland
https://global.yamaha-motor.com/
https://www.yamaha-motor.eu/de