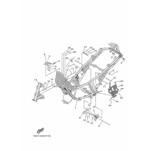
Artikelname: RAHMEN KOMPL (FRAME COMP)
Hersteller: Yamaha
OEM Nummer: BX9-F1110-11 (BX9F11101100)
Kategorien: Rahmen
2023
TRICITY 300 (MWD300)
2022
TRICITY 300 (MWD300)
2021
TRICITY 300 (MWD300)
Yamaha Motor Co., Ltd.
YAMAHA MOTOR EUROPE N.V.
Hansemannstraße 12, 41468 Neuss
Postfach 21 06 53, 41432 Neuss
Deutschland
https://global.yamaha-motor.com/
https://www.yamaha-motor.eu/de