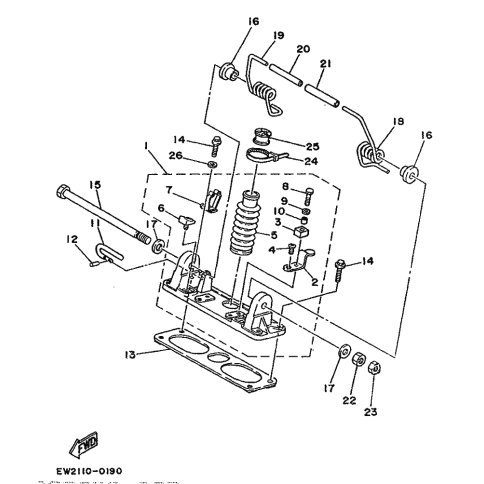
Artikelname: POLE, PIVOT ASSY (POLE PIVOT ASSY)
Hersteller: Yamaha
OEM Nummer: EW2-U1330-00 (EW2U133000)
Kategorien: Allgemein
1990
SJ650S
Yamaha Motor Co., Ltd.
YAMAHA MOTOR EUROPE N.V.
Hansemannstraße 12, 41468 Neuss
Postfach 21 06 53, 41432 Neuss
Deutschland
https://global.yamaha-motor.com/
https://www.yamaha-motor.eu/de