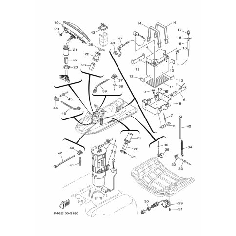
Artikelname: SENSOR SPEED
Hersteller: Yamaha
OEM Nummer: F1S-U8K31-03 (F1SU8K3103)
Kategorien: Elektrik 3, Allgemein
2020
VX DELUXE (VX1050B-V)
VX CRUISER HO (VC1800-V)
VX LIMITED (VX1050F-V)
VX (VX1050C-V)
VX CRUISER (VX1050A-V)
GP1800R SVHO (GP1800-V)
GP1800R HO (VX1800A-V)
VX-C (VX1050G-V)
GP1800R SVHO (GP1800)
VX CRUISER HO (VC1800)
Yamaha Motor Co., Ltd.
YAMAHA MOTOR EUROPE N.V.
Hansemannstraße 12, 41468 Neuss
Postfach 21 06 53, 41432 Neuss
Deutschland
https://global.yamaha-motor.com/
https://www.yamaha-motor.eu/de