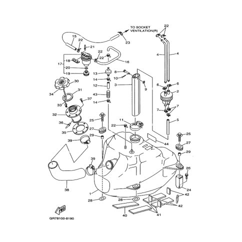
Artikelname: PLATE,GROMMET (PLATE, GROMMET)
Hersteller: Yamaha
OEM Nummer: GA7-6774B-01 (GA76774B01)
Kategorien: Tank
1999
WAVEBLASTER 700 (WB700AX)
1998
WAVEBLASTER 700 (WB700AW)
WAVEBLASTER 700 (700TZT)
Yamaha Motor Co., Ltd.
YAMAHA MOTOR EUROPE N.V.
Hansemannstraße 12, 41468 Neuss
Postfach 21 06 53, 41432 Neuss
Deutschland
https://global.yamaha-motor.com/
https://www.yamaha-motor.eu/de