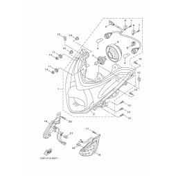
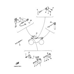
OEM 1
Artikel 49701 - 49720 von 99970