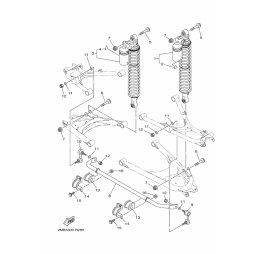
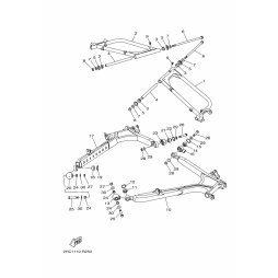
OEM 1
Artikel 72441 - 72460 von 99970