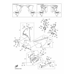
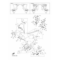
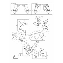
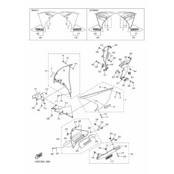
OEM 1
Artikel 87901 - 87920 von 99970