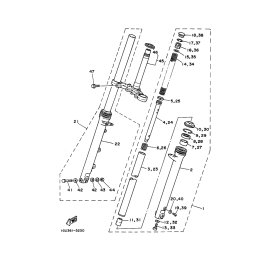
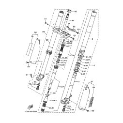
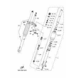
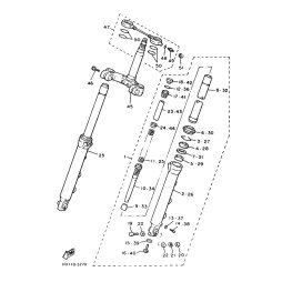
OEM 1
Artikel 88941 - 88960 von 99970