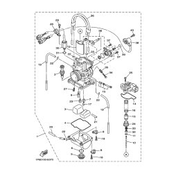
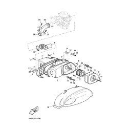
OEM 4
Artikel 42101 - 42120 von 56322