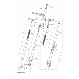
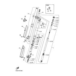
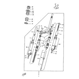
OEM 4
Artikel 47001 - 47020 von 56322