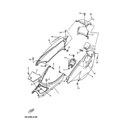
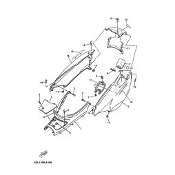
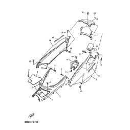
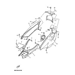
OEM 5
Artikel 43341 - 43360 von 56012