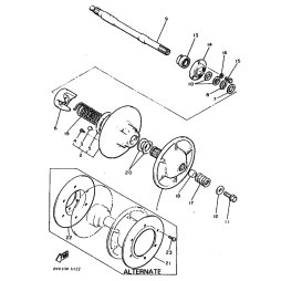
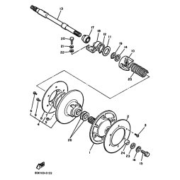
OEM 6
Artikel 27481 - 27500 von 56326