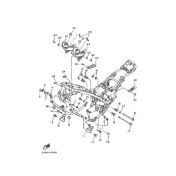
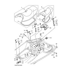
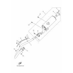
OEM 7
Artikel 59121 - 59140 von 74875