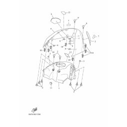
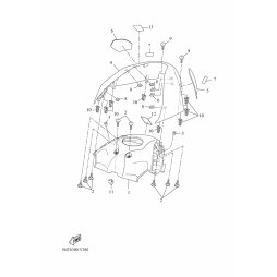
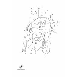
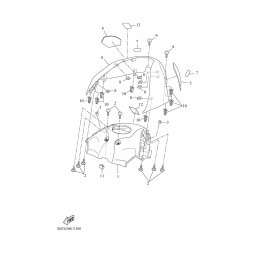
OEM 7
Artikel 70461 - 70480 von 74875