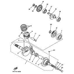
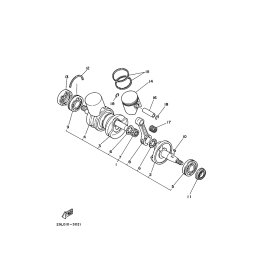
OEM 1
Artikel 47481 - 47500 von 99970