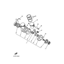
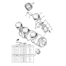
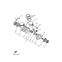
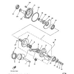
OEM 1
Artikel 47501 - 47520 von 99970